大型金屬零部件用磨削/研磨系統
大型金屬零部件用磨削/研磨系統
![[Image]大型金屬零部件用磨削/研磨系統](./file/164/m20-ia_main.jpg)
可根據客戶設備規格構建系統 20㎏可搬型
與20㎏可搬機器人M-20iA組合而成的系統。可根據客戶環境,選擇外圍設備并構建系統。- 根據用途,選擇相應的工具
輪轂工具握持型
![[Image]輪轂工具握持型](./file/156/m20-ia_img01.jpg)

輪轂工具座和自動更換裝置
圓盤工具握持型
![[Image]圓盤工具握持型](./file/158/m20-ia_img03.jpg)

圓盤工具座與圓盤砂紙自動更換裝置
砂帶磨光機工具握持型
![[Image]砂帶磨光機工具握持型](./file/161/m20-ia_img05.jpg)

砂帶磨光機工具座與砂帶自動更換裝置
工件
| 對象工件 鋁壓鑄零部件 黃銅零部件 |
|
|---|
| 設置面積 | (W)2300 x (D)4200+α x (H)2500mm |
|---|---|
| 操作方法 | 工具握持型 |
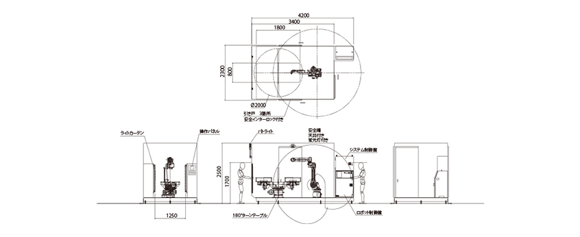
外形尺寸
![[Image]外形尺寸](./file/162/m20-ia_size_img01.gif)
規格
| 設置面積 | (W)2300 x (D)4200 x (H)2500(mm) |
|---|---|
| 機器人機身 | 發那科公司 M-20iA(可搬20kg) FINISHING MODEL customized by Yamaha |
| 工件供給方式 | 180°轉臺式 |
| 操作面板 | 觸摸屏式 |
| 承接定制 |
|

![[Image]曲軸箱罩](./file/163/m20-ia_work_img01.jpg)
![[Image]小號零部件](./file/165/m20-ia_work_img02.jpg)
![[Image]變速箱](./file/166/m20-ia_work_img03.jpg)

